Strona w trakcie budowy.......... J
Moja
koncepcja budowy prostego generatora serwisowego

Wartości elementów dla przykładowych tłumików >>> JPG PDF
schematy: FILTR => REGULATOR => TŁUMIK => WZMACNIACZ -
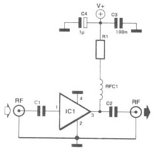
Jako wzmacniacze polecam układy zwane MMIC (MAR MSA itp.) << opis wzmacniaczy
( mały schemat wzmacniacza MMIC )
Takie scalaki MMIC można kupić
przykładowo w sklepie AVT (nie są
może u nich najtaniej - ale są :-)
Poniżej
trochę materiałów o układach INA03184
č PDF1 č PDF2 č PDF3 č Wzmacniacz budowa č montaż w ekranie
Filtr wyjściowy w wersji PCB i jego charakterystyka
DDS
DL4JAL jako WOBULOSKOP -
To naprawdę działa ! SPRAWDZONE !

który pin podłączamy do oscyloskopu jako SYNCHRO
Przykładowy schemat sondy wcz (ze strony Homebrew RF Test Equipment and Software)
wartość rezystora powinna być każdorazowo odpowiednia do impedancji mierzonego obwodu
Jeżeli badamy przykładowo filtr kwarcowy - sygnał powinniśmy podawać przez transformator dopasowujący
Najlepsza do wobuloskopu jest jednak sonda logarytmiczna na AD8307 (zdjęcie schemat)
Przykładowe obliczenia podstawy
czasu dla pracy w trybie wobuloskopu
Krok Wobulowania = zakres przestrajania * 1,6 / podstawa czasu (cała oś X)
10 000 Hz * 1,6 / 200ms == 80 Hz
chociaż z praktyki mi wyszło
że współczynnik jest
Przykładowa
prosta metoda pomiary filtru kwarcowego w naszym odbiorniku
Fajna metoda pomiaru filtrów kwarcowych opisana przez japończyka
Opis programu WaveSpectra (č OPIS1 č OPIS2 )
jak można użyć DDSa do pomiaru swojego odbiornika
Przykładowy pomiar mojego filtru w DIGITALU przed i po wstępnym strojeniu
Wszelkie pytania i sugestie kierować na email....
email: [email protected]
albo do księgi gości - jeżeli ją w końcu uruchomię J