Strona w trakcie budowy.......... J

 

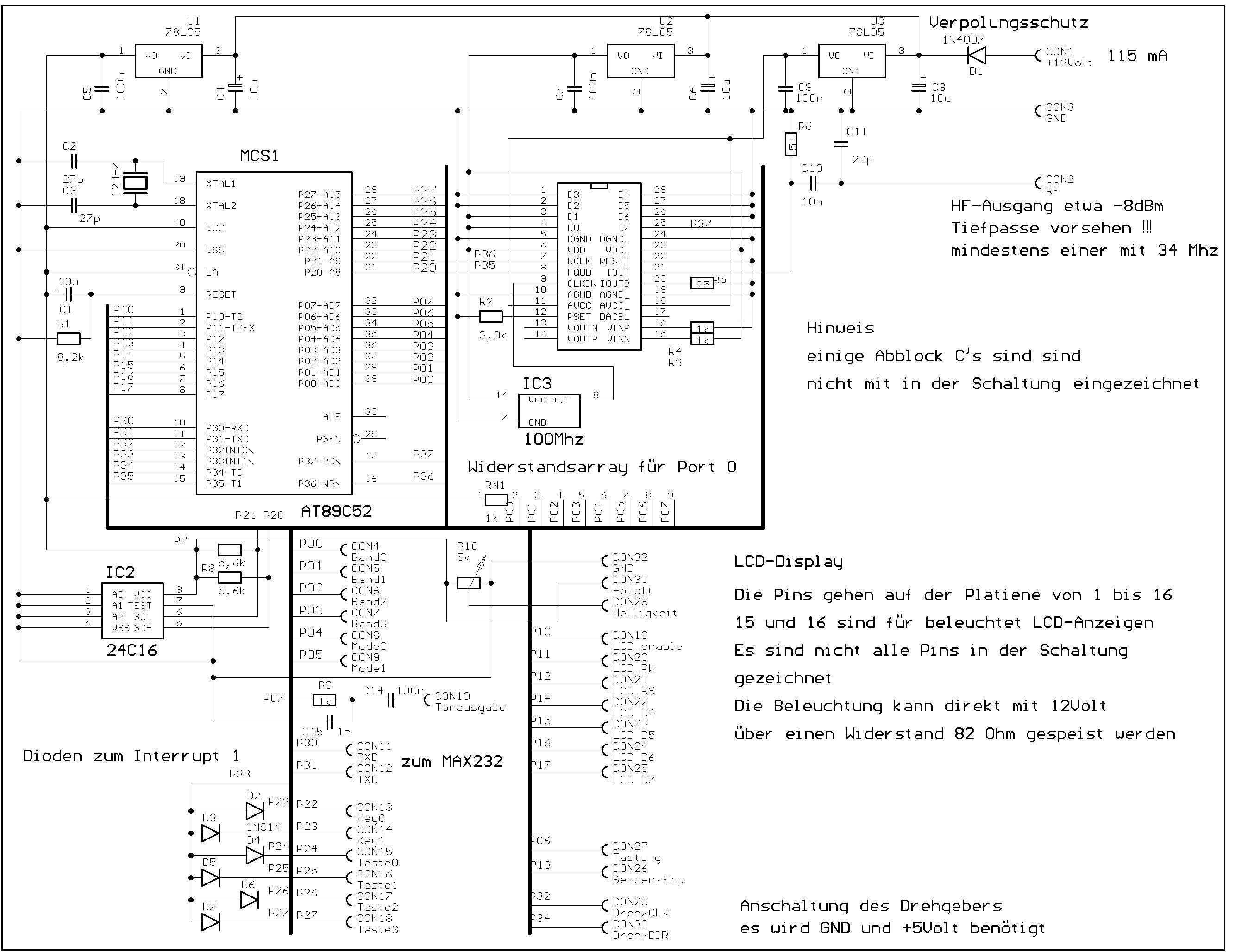
Oryginalny schemat DDS DL4JAL

na oryginalnym schemacie jest błąd !!!  17 noga DDS  nie jest podłączona do +5V

Schemat z poprawka na stronie SP7EWL

a w ogóle celem uzupełnienia obrazu polecam zapoznać się ze strona SP7EWL  -)

 

Płytki drukowane w wersji  V06  i V07  róznia się tylko dodatkowym stabilizatorem
dla GENERATORA  kwarcowego

Rezystory w drabince moga być z zakresy od 1 kom  do 20 kom -)

 

 

Schematy filtrów jakie zalecane jest założyć  być na wyjściu DDSa

 Filtr prosty na dławikach ze sklepu / 50MHz

Filtr z cewek robionych własnoręcznie /50 MHz

Filtr 35 MHz - 4 cewki

Filtr 35/40 MHz 5 cewek

 

Jednak pierwsze próby warto wykonać  podłączając  wyjście DDSa  wprost do mieszacza 

a potem  dopiero zamontować  filtry  i porównać efekt -)

 

 

Do obliczania CEWEK i FILTRÓW  przydatny może być program

Mini Rin Core Calculator

RFSim99

 

 

 Wszelkie pytania i sugestie kierować na email....

email: [email protected]

 albo do księgi gości - jeżeli ją w końcu uruchomię J

 >>> HOME <<<